in

Les ornithorynques partagent une fourrure surprenante avec les oiseaux

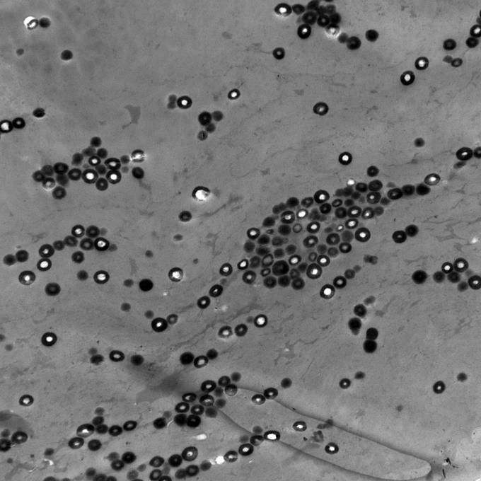
Un grossissement 600 fois des mélanosomes d'un chacal doré.

Les ornithorynques sont devenus encore plus étranges.

Comme si un mammifère qui pond des œufs, détecte l'électricité avec son bec et émet une fluorescence ne suffisait pas à se gratter la tête, il semble maintenant que les ornithorynques partagent également une caractéristique avec les oiseaux. De minuscules paquets remplis de pigments dans les poils des mammifères sont creux – un trait que l'on croyait auparavant uniquement présent dans les plumes des oiseaux, rapportent des chercheurs le 17 mars dans Lettres de biologie.

Les scientifiques n’ont « jamais rien vu de tel auparavant », déclare la biologiste Jessica Dobson de l’Université de Gand en Belgique.

Dobson comparait les paquets remplis de pigments, appelés mélanosomes, à l'intérieur des cheveux de plusieurs espèces de mammifères lors de son doctorat. la superviseure, Liliana D'Alba, a remarqué la bizarrerie de l'ornithorynque. En règle générale, les mélanosomes des mammifères sont solides et ceux des oiseaux peuvent être creux, mais voir un ornithorynque avec des mélanosomes creux a conduit Dobson à creuser plus profondément.

Elle a ensuite utilisé un microscope électronique pour examiner les mélanosomes des cheveux du corps de 12 ornithorynques. Ensuite, elle a examiné les mélanosomes des échidnés – les plus proches parents des ornithorynques – et de plusieurs espèces de marsupiaux, le groupe qui comprend les wombats et les opossums. Les mélanosomes creux n’apparaissaient pas chez les échidnés ou les marsupiaux. Ils n’apparaissent pas non plus chez aucune des espèces de mammifères déjà documentées par Dobson pour son autre projet. Combinées aux nouveaux animaux, les données représentent 126 espèces de mammifères.

Dobson a également extrait des pigments de mélanine des poils d'ornithorynques pour comparer leur composition chimique avec les pigments d'autres mammifères. Bien que les mélanosomes de l’ornithorynque soient de forme ronde, la mélanine qu’ils contiennent ressemble davantage à celle que l’on trouve souvent dans les mélanosomes allongés, produisant des couleurs plus foncées telles que le brun et le noir. Les rouges et jaunes plus clairs sont généralement associés aux mélanosomes sphériques. La combinaison ronde et creuse est également unique. Chez les oiseaux aux mélanosomes creux, les structures ressemblent toujours à des bâtonnets.

« Il fait de plus en plus frais », dit Dobson.

La découverte devient encore plus déroutante : chez les oiseaux, le creux des mélanosomes peut contribuer à l’éclat irisé des plumes. Mais les ornithorynques ne sont pas irisés. Et les mammifères qui sont les irisés — comme certains rongeurs — ont des mélanosomes solides. On ne sait pas vraiment comment les ornithorynques bénéficient des mélanosomes creux, disent les chercheurs.

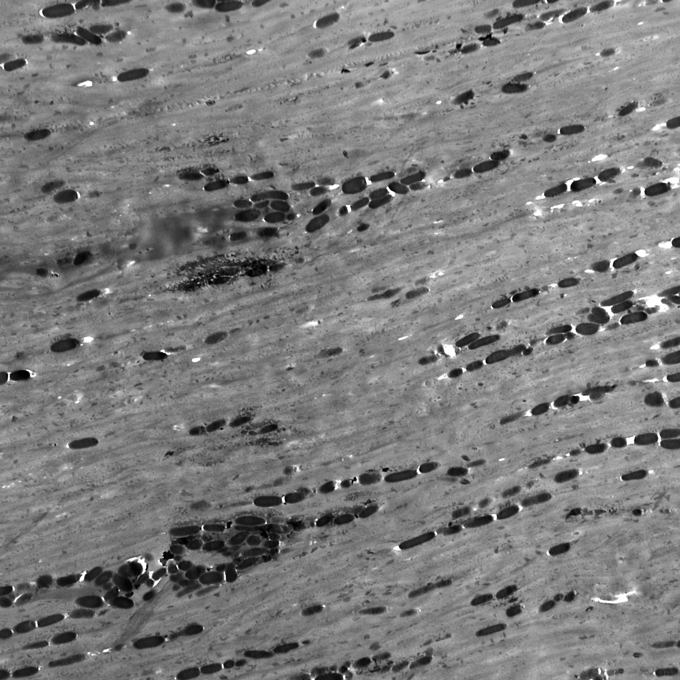
  1. Un grossissement de 1 200 fois des mélanosomes creux et sphériques d'un ornithorynque.

« Mon intuition est que cela n'a rien à voir avec la couleur, mais avec un autre attribut du mode de vie », explique Tim Caro, écologiste évolutionniste de l'Université de Bristol en Angleterre, qui n'a pas participé aux travaux.

Il est possible que les mélanosomes des ornithorynques soient une adaptation liée à un mode de vie aquatique, peut-être à l'isolation, spéculent Dobson et ses collègues. Cela pourrait aider à expliquer pourquoi les échidnés, en tant qu'habitants terrestres non aquatiques, ne partagent pas ce trait avec leurs parents amoureux de l'eau.

L'examen des mélanosomes d'autres animaux aquatiques pourrait donc aider à répondre à certaines questions, dit Caro, même s'il ne pense pas que ce trait se reproduise. Dobson doute également que d'autres mammifères possèdent des mélanosomes creux. « Je trouve très, très improbable qu'il n'ait pas déjà été trouvé. »

Conception inversée : une nouvelle voie vers des polymères fonctionnels personnalisés

Vlad Tenev de Robinhood veut que vous utilisiez le code Vibe pour sortir de la sous-classe permanente

Vlad Tenev de Robinhood veut que vous utilisiez le code Vibe pour sortir de la sous-classe permanente